信息来源:产品设计教研室 日期:2023-09-08
在刚结束的2023年春季学期教学工作中,产品设计教研室开出的4门专业课《产品工程制图》(主讲教师杨熊炎)、《中外设计艺术史》(主讲教师宋全昌)、《计算机辅助产品表现》(主讲教师刘昱岑)、《设计构成Ⅱ》(主讲教师魏航)分别获得99.97分、99.83分、99.71分、99.39分的学生满意度高分评价,居FUN88乐天使在线登录课程排名前列。为总结教学经验、巩固教学质量,开学第一周,产品设计教研室举行课程总结研讨活动。
活动由教研室主任宋全昌主持,宋老师首先汇报了自治区一流课程《中外设计艺术史》的建设情况,从课程定位、课程目标、课程内容、线上资源建设、教学方法、课程思政建设、课程考核、教学效果、课程特色与创新点等方面进行了总结并分享了课程参赛和建设经验。其他课程依次汇报分享了经验心得。


最后教研室对以上4门高分课程的共性进行了总结,该4门课程有两个明显的共性特征:一是都采用学习通线上平台建课与教学;二是都参与了高强度高频次教学研讨活动。以上特征是产品设计教研室创建以来在专业建设和教学管理上的大胆革新创举。
产品设计为2022年FUN88乐天使在线登录新设专业,为高起点进行专业建设,教研室要求所有专业课均需采用线上平台建设与教学。线上平台建课可引用整合全国各地省级一流课程和示范课程,保证教学内容高质量高水准;线上平台教学可实现同一课程不同班级的进度同步与内容一致,保证教育公平性一致性;学生线上平台学习可实现学习全过程记录以及作业、分数的全过程追溯,保证信息透明度与公正度。线上平台教学主动迎合了00后学生们“网络原住民”、“屏端一代”的心理特征与行为习惯,提高了课程满意度。


《中外设计艺术史》课程概况

《产品工程制图》课程概况

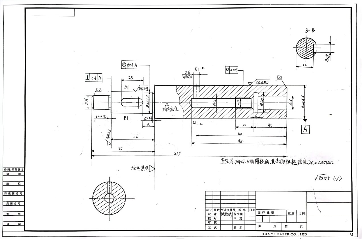
《产品工程制图》示范作业(2022产品设计2班陈熙婷)

《计算机辅助产品表现》课程概况

《计算机辅助产品表现》示范作业(22级产品3班 朱柳霖)

《设计构成Ⅱ》示范作业(2022级产品设计3班陈爱群)
产品设计教研室创建以来,在教学管理上对所有课程进行了严格的全过程监控,从任课教师的选聘、教学大纲的撰写、课程目标的设定、课程关系的梳理、章节内容的构成、考核方式的确定、考核内容的审核、评分标准的制定均进行了全过程督导。教研室通过开课前说课、开课初学情分析与汇报、跨教研室课程组交流、期中教学检查、督导听课、能力形成过程课程质量系数申报、期末教学总结等方式确保了所有课程都参与到高频次的研讨中来,确保了课程能在教学中不断改进,课程建设不再是任课老师一个人的探索,而是教研室合议的结果,是集体智慧的结晶。
总的来说,这次课程总结活动为教师们提供了一个互相交流和学习的平台,促进了教学经验的分享和教学质量的提升。这次研讨会也是对产品设计教研室自创建一周年以来在专业建设和教学管理上一次成果验证和经验总结。